Introducing Standex Detect, a New Name in Precision Electronics

Standex Detect is part of the newly rebranded Standex Electronics family. Our focus remains on precision reed switches, sensors, and relays that deliver the right design, at the right time, at the optimal cost. Read our press release to learn more about how this change strengthens our global collaboration and innovation.

English
Home Products Sensors Position Sensors MK28 Series Reed Sensor

MK28 Series Reed Sensor

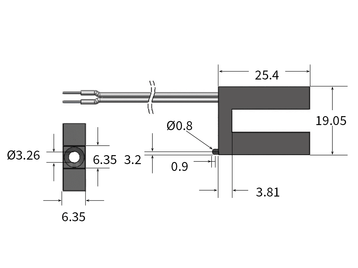
The MK28 Series is a magnetically conductive vane-operated reed sensor housed in a rectangular flange-mount body, designed for reliable magnetic sensing in automotive, industrial automation, and robotics applications. Its rugged construction and flexible cable configurations make it ideal for position, motion, and proximity detection in demanding environments.

The MK28 Series delivers robust magnetic sensing with vane-actuated precision, making it a trusted solution for OEMs and engineers working in harsh or mechanically active environments.

  • Vane-operated sensing for precise actuation
  • Screw flange mount for secure installation
  • Rectangular housing with round wire leads
  • UL-approved and IP-rated for environmental durability
  • Customizable switch type, cable length, and termination
Contact Form1A (SPST) Normally Open (N.O.), 1B (SPST) Normally Closed (N.C.), 1C (SPDT) Changeover
Operating RangeExact
Rated Power Max.10W/175VDC/0.5A
  • Automotive systems
  • Industrial automation equipment
  • Robotics and motion control
  • Water meter cursor detection
  • Locking systems
  • Position and proximity sensing

Contact Standex Detect